2020. 12. 14. 10:36ㆍDIY/포르테-아반떼 MD
(작업일: 2020년 12월 12일)
풋등을 달아보자.
풋등은 간판용 LED 사용(극성 없음). 빛 색상은 화이트가 아닌 전구색으로 택했다.
타 차종에 풋등 달았던 후기는 아래 클릭.
아반떼 HD - 풋등 설치 DIY
이런 작업 안 하려고 했는데 불금을 맞이하여 시간 때우기. 풋등은 간판용 LED를 사용(예전에 여러 개 사두었다가 여기저기 다용도로 많이 써먹었음. 이제 다 썼음). 운전석 하단에 모듈 1개(LED칩
kotworld.tistory.com
아반떼 HD에 적용했던 배선 작업을 조금 달리 해서 포르테에 풋등을 달자.
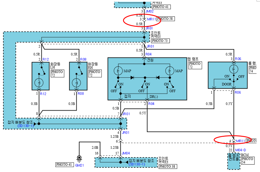
포르테 A 필러를 탈거하면 커넥터가 한 개 자리 잡고 있다.
MR11 커넥터의 3번(빨간색)이 실내등 퓨즈에 연결된 플러스 전원선이고, 4번(노란색)이 도어 열림을 감지하는 선(마이너스)이다. 풋등은 도어가 열렸을 때 켜지고, 도어가 닫혔을 때 꺼져야 하기 때문에 도어 열림 감지선을 MR11 커넥터의 4번에서 따오고, 나머지 플러스 배선은 MR11 커넥터 3번에서 따도 되고 또는 실내 퓨즈 박스에서 상시전원이 들어오는 퓨즈 아무것에나 연결하면 된다. MR11 커넥터에서 따오려면 배선이 더 길어 지니까 플러스는 걍 실내 퓨즈 박스에서 따오는 것이 좀 더 편하다.
1. 간판용 LED로 미리 배선 작업을 해 놓는다. 잡소리 방지 차원에서 배선에는 미리 부직포 테이프를 잘 감아준다.
2. A 필러 탈거 - 고정 볼트 없다. 걍 힘으로 잡아당기면 빠지는 구조다.
3. MR11 커넥터에서 4번 노란색 배선을 찾는다(4번 단자에 노란색 배선이 2개 꼽혀 있다. 2개 중 아무 선이나 상관없다). 배선 중간을 까서 풋등에 연결된 배선 한 가닥과 브릿지 하고 절연테이프를 잘 감아준다.
4. 풋등에 연결된 배선 나머지 한 가닥은 퓨즈 박스에서 상시전원이 들어오는 퓨즈(정지등, 실내등, 오디오, 트렁크 열림, 앞유리 열선, 도어잠금장치 외 다수)에 연결한다.
5. 풋등 1개는 운전석 크래시패드 로워 판넬에 부착하려고 했으나 구조상 부착할 곳이 없다. 그래서 히터 바람 나오는 곳에 케이블 타이로 묶어서 고정, 다른 1개는 옷걸이를 이용해서 센터패시아 안쪽에서 조수석 방향으로 찔러 넣어 배선을 보내고 조수석 글러브박스 하단 판넬에 부착한다.
6. 도어 열림 상태에서 풋등이 점등되고, 도어 닫힘 상태에서 풋등이 소등되는지 확인한다.
이렇듯 보람차게 풋등 설치를 잘 마쳤다.
끝.
'DIY > 포르테-아반떼 MD' 카테고리의 다른 글
포르테 1.6 MPI - 겉벨트 품번 변천사 (4) | 2020.12.14 |
---|---|
포르테 - 번호판등 전구 교체 DIY (0) | 2020.12.14 |
포르테 - 사이드 미러 커버 교체 DIY (0) | 2020.12.14 |
포르테 - 전조등(하향등) 전구 교체 DIY (0) | 2020.12.08 |
포르테 - 리어 브레이크 드럼 탈거 및 그리스 도포 DIY (0) | 2020.12.07 |