2020. 11. 20. 09:52ㆍDIY/제네시스 BH
울랄라. 계절적 영향으로 당분간 다이는 잠수 타려고 했는데 내 몸과 마음이 이를 자꾸 거부해 ㅋㅋ.
며칠 전 아침 출근을 위해 차 시동을 걸려고 스타트 버튼을 눌렀는데 일발 시동이 시원하게 안 걸리고 엔진이 푸드덕거리면서 간신히 시동이 걸려 부려 부러. 이거이 무슨 일인가? What the hell is going on? I don't know. ㅎㅎ.
다행히 그 이후 동일 증상이 나타나지는 않고 있으나, 검색 신공을 있는 내공을 다 끌어다 펼침. 그러나 엔진 부조의 원인이 뭐 한두 개가 아닌 관계로 원인 파악 불명.
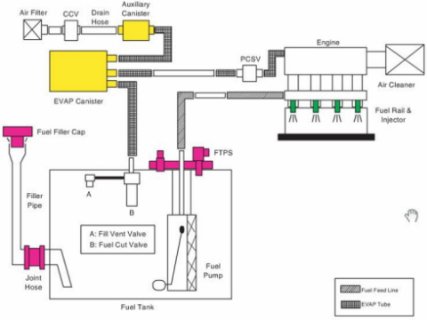
그래서 음, 예방정비 할 거리가 뭐가 있나 고민 중에, 제네시스 고질병 중의 하나인 캐니스터 교체를 해야겠다는 생각이. 캐니스터(Canister; 유증기 포집장치) 교체 시 캐니스터 클로즈 밸브(CCV; Canister Close Valve)와 함께 연료 탱크 에어 필터까지 일괄적 교체가 바람직하다는 결론과 함께 역시 유증기 제어를 해 주는 퍼지 컨트롤 솔레노이드 밸브(PCSV; Purge Control Solenoid Valve)도 함께 교체하는 것이 제대로 된 예방정비라는 결론에 다다름.
*Canister라는 영어 단어의 뜻이 "통" 이다. 일반적인 모든 통은 canister라고 부를 수 있다.
연료 계통의 증발 가스 제어 시스템을 구성하는 캐니스터는 깡통 형태로서 내부에는 활성탄(그래서 영어권에서는 이 부품을 Charcoal canister라고 한다)이 들어있어 휘발유가 기화되면서 발생한 증기를 흡착하였다가 이를 ECU에 의해서 제어되는 PCSV를 통해서 연소실로 유증기를 공급하게 된다. 휘발유라는 성분이 쉽게 기화되므로 이를 그냥 두면 휘발유가 많이 줄어들 것이며 기화되는 것을 그냥 두면 화재나 폭발의 위험도 증가하겠지. 더 중요한 것은 이 유증기를 그대로 대기 중으로 내보내면 대기오염에 아주 나쁜 영향을 준다. 휘발유가 탄화수소계열이라서 이 유증기는 대기의 먼지 등과 반응하면 스모그 현상의 주요 원인 중의 하나이다. 자동차 배기가스를 엄격히 규제하는 것도 다 이런 이유.
CCV는 전원이 인가되지 않은 상태에서는 항상 열려있어야 하는 밸브라고 한다.. 자동차 진단 스캐너에서 EVAP시스템 누설시험을 할 경우에 이 CCV가 닫혀서 캐니스터와 대기를 차단한다고 한다. 이 CCV 끝단은 연료탱크 에어 필터와 연결되어 있고 따라서 에어 필터는 대기와 통하게 되어 있겠죠. 만일 자동차 연료 탱크가 대기와 통하지 않는 상태가 되면? 큰일 납니다. 연료펌프가 연료를 계속 뽑아내면 탱크 내부는 음압(negative pressure)이 발생하여 탱크가 찌그러질 수 있습니다. 또한 대기와 통하지 않을 경우 탱크 내부에 유입된 에어 및 유증기가 꽉 차 있을 경우 기름을 주유해도 잘 들어가지 않겠죠. 그렇기 때문에 항상 대기와 통하고 있어야 한다.
PCSV는 연료탱크 쪽에 있지 않고 엔진룸 안에 있다. 주로 스로틀 바디 근처에 위치하고 있다.
여기에 언급된 이런 부품들이 하나의 시스템으로 작동되며 이를 통칭하여 EVAP (Evaporative Emission Control System) 이라고 부르며 우리 말로는 증발 가스 제어 장치라고 한다.
자 그림 그림을 한 번 보자. 팍팍 이해될 것이다. 자동차 시스템을 이해해야 뭘 고치던지 말든지 하지.
해상도가 낮군. 그럼 다음 그림.
그러나 상기 언급한 부품들을 모두 구입하면 7-8만원 하므로 일단 요것들은 잠시 묵혀 두고 다른 놈을 작업하기로.
그거이 연료 필터. 캐니스터 쪽에 붙어 있는 연료 탱크 에어 필터와는 다른 거임. 역시 연료 계통에 있는 부품으로 휘발유 내의 불순물을 걸러주는 장치이다. 모든 필터는 사용시간이 누적되면 반드시 막히게 된다. 안 막히는 필터는 이 세상에 존재하지 않고 앞으로도 존재하지 않을 것이다. 필터의 기본 원리가 필터 막(membrane) 또는 재질(filter paper)에 미세한 구멍을 만들어서 원하는 물질은 통과시키고 원치 않는 불순물을 걸러지게 하는 구조이다 보니 사용이 누적되면 이 구멍들이 막히게 되어 있다. 이게 꽉 막히면 당연히 시동이 안 걸리지 뭐.
제네시스를 비롯해서 현기차의 휘발유를 사용하는 엔진은 연료모터와 연료필터가 함께 붙어 있는 어셈블리 형태로 되어 있다. 이것이 연료 탱크에 들어가서 엔진 제어 장치의 신호를 받아서 연료 모터가 작동하여 연료필터를 거친 연료가 엔진으로 유입되는 것이지. 연료모터/필터 어셈블리 부품가는 11만 원이 조금 넘는다. 어휴. 어셈블리 교체 말고 필터만 교체하기로. 필터 가격은 8천 원대. 다만 어셈블리를 탈거하여 여기서 필터만 따로 분해해야 하는데 이거이 좀 귀찮은 구조로 되어 있다. 그러나 레고 조립을 할 줄 아는 수준이면 어렵지 않은가 보다. 그래서 도~~~~~~~~~~~~~전 !!!.
제네시스 연료 탱크는 뒷좌석 엉덩이 시트를 밑쪽에 있다. 그러니 연료 필터를 교체하려면 뒷좌석 엉덩이 시트 쿠션을 탈거해야 교체가 가능하다. ㅋㅋ. 자세한 것은 실전 편에서.
가수 송창식의 담배가게 아가씨 가사가 생각나네. ㅋㅋ. 나는 오늘 담배 아닌 부품 사러 간다. ㅋㅋ
To be continued.
'DIY > 제네시스 BH' 카테고리의 다른 글
제네시스 연료 필터 교체 다이(DIY) 완료. 바뜨 문제가...ㅠㅠ (0) | 2020.11.20 |
---|---|
제네시스 연료 필터 (0) | 2020.11.20 |
리어 도어 스피커 장착 완료 (0) | 2020.11.20 |
소소한 부품 구입기 (0) | 2020.11.20 |
리어 도어 스피커 교체 장착 예정 (0) | 2020.11.20 |