2020. 12. 9. 10:03ㆍDIY/스포티지R-그랜드카니발R
아니 이 놈의 차가 이상하네. 모비스 WPC에서 차대번호로 부품 검색을 하면 엔진룸 우측 펜더 쪽에 후드 스위치가 달려 있는 것으로 나온다.
그런데 기아 GSW에서 전장회로도를 찾아보면 후드 스위치가 없는 것으로 나온다. 그런데 그랜드 카니발 2009년식까지(R엔진으로 바뀌기 전) 모델에는 후드 스위치가 있고 정비지침서는 전부 R엔진 이전 모델로만 설명되어 있다.
2009년식까지 그랜드 카니발 도난방지 시스템 회로도를 보자. 당근 후드 스위치가 있다.
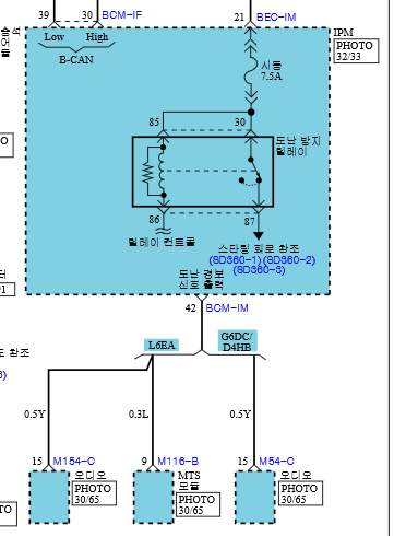
2010년식부터 그랜드 카니발 R의 도난방지 시스템 회로도를 보자.
BCM-IM 커넥터로 연결된 후드 스위치가 사라졌다. 전장회로도를 아무리 뒤져도 후드 스위치를 찾을 수 없다. 어딘가에 있는데 못 찾는 것일 수도 있다. 모비스 WPC 부품 검색으로 후드 스위치가 있으니 전장회로도 어딘가에 후드 스위치가 보여야 하는데 찾을 수 없으니 원...
당근 실차에서도 아무리 눈을 부라리고 찾아봐도 후드 스위치가 안 보인다. 후드 스위치는 후드에 범퍼 슬램 이라는 고무가 후드 스위치를 눌러줘야 하기 때문에 (물론 후드 랫치 쪽에 후드 스위치가 있는 차종도 있긴 하다) 있다면 바로 눈에 띄어야 한단 말이다.
이 후드 스위치가 있긴 한 걸까요? 이상타 이상해...
끝.
모비스 WPC에는 오류가 상당히 존재한다. 그간의 경험으로 주로 볼트/너트 등 소소한 부품들은 오류가 있는 걸 알고 있었지만 이런 부품까지 오류가 있는 줄은 몰랐다. 실차에는 후드 스위치가 없다. 따라서 WPC가 잘못되어 있는 것이다.
'DIY > 스포티지R-그랜드카니발R' 카테고리의 다른 글
그랜드 카니발 2.2 - 구동벨트 계통 부품 구입 (0) | 2021.01.29 |
---|---|
R 엔진 댐퍼 풀리 푸는 방법 (6) | 2020.12.14 |
스포티지 R - 테일 게이트 래치 교체 (0) | 2020.12.09 |
엔진 룸 전기 배선 피복 벗겨짐 (0) | 2020.12.09 |
스포티지 R - 리어 활대 링크/부싱 교체 DIY (0) | 2020.12.09 |